详情
摘要
交交桥式斩波双向调压电路属于电力电子AC/AC变换基础电路,由4个双向电子开关S1~S4及其调节控制电路组成,4个双向电子开关S1~S4连接成桥式电路,由双向电子开关S1、S2和S4组成一个同相输出的交流斩波调压电路,由双向电子开关S2、S1和S3组成另一个反相输出的交流斩波调压电路,1个交流电压输出端连接有2个主控双向电子开关S1和S2,调节控制4个双向电子开关实现输出斩波电压大小的调节和相位变换。它与广泛应用的DC/AC全桥逆变基础电路相对应,它能将输入固定交流电压转变为输出同相位或反相位可调交流斩波。
权利要求
1.交交桥式斩波双向调压电路,由4个双向电子开关S1~S4及其调节控制电路组成,4个双向电子开关 S1~S4连接成电桥电路,有2个交流电压输入端(1、2),2个交流电压输出端(3、4),其特征在于:1个交流电压输出端(3)连接2个全控双向电子开关S1和S2,另1个交流电压输出端(4)连接2个通断电子开关S3和S4,全控双向电子开关S1主控,S2续流和S4通,S3断时,组成一个同相输出的交流斩波调压电路,由全控双向电子开关S2主控,S1续流和S3通,S4断时,组成另一个反相输出的交流斩波调压电路,由S1与S2互换控制信号和S3与S4互换通断信号完成桥式斩波双向输出交流电压的调压。
2.根据权利要求1所述的交交桥式斩波双向调压电路,其特征在于:2个全控双向电子开关S1和S2由2个二极管和2个三极管组成。
3.根据权利要求1所述的交交桥式斩波双向调压电路,其特征在于:2个全控双向电子开关S1和S2由4个二极管和1个三极管组成。
4.根据权利要求1所述的交交桥式斩波双向调压电路,其特征在于:2个通断双向电子开关S3和S4是2个双向晶闸管。
5.根据权利要求1所述的交交桥式斩波双向调压电路,其特征在于:2个通断双向电子开关S3和S4是交流固体开关。
说明书
交交桥式斩波双向调压电路
[0001][一]技术领域 本发明涉及交流斩波调压电路,尤其是涉及交流斩波电压输出两端的交流斩波电压既能正方向输出,又能反方向输出的交流斩波调压电路。
[0002][二]背景技术 现在的交流斩波调压电路只能输出与输入交流电压相位相同的交流斩波电压,它用于大功率补偿式交流稳压电源时,必需在交流输入电压前面或交流输出斩波电压后面增加倒相电子开关才能实现2个方向调节补偿电压,去年同一发明人发明了一种不用电子开关换相实现2个方向调节补偿电压的交流斩波双向调压电路,但必需在交流斩波电路前面有1个带有中心抽头的自耦变压器提供双交流电源。
[0003][三]发明内容 本发明的目的是取消带有中心抽头的自耦变压器,发明输出2端输出相位差180度的交流斩波可调电压。为实现上述目的本发明采用4个双向电子开关连接成桥式。4个双向电子开关至少有2个由二极管和三极管组成的双向电子开关连接在1个输出端。
[0004]本发明的交交桥式斩波双向调压电路,由4个双向电子开关S1~S4及其调节控制电路组成,4个双向电子开关S1~S4连接成电桥电路,有2个交流电压输入端(1、2),2个交流电压输出端(3、4),其特征在于:由双向电子开关S1、S2和S4组成一个同相输出的交流斩波调压电路,由双向电子开关S2、S1和S3组成另一个反相输出的交流斩波调压电路,2个交流斩诐调压电路的1个交流输出端(3或4)连接有同相输出的交流斩波调压电路的主控双向电子开关S1和反相输出的交流斩波调压电路的主控双向电子开关S2,调节控制4个双向电子开关的信号就能在2个交流输出端(3、4)输出与2个交流电压输入端(1、2)同相位或反相位的交流斩波电压的大小,双向电子开关由2二极管和2个三极管,或由4个二极管和1个三极管,或由2个单向晶闸管组成,或是1个双向晶闸管或交流固体开关,4个双向电子开关S1~S4中至少有2个双向电子开关是由2个二极管和2个三极管,或由4个二极管和1个三极管组成连接在2个交流输出端(3、4)中的1个输出端(3或4)。

[0005][四]附图说明 附图1是交交桥式斩波双向调压电路图之一,附图2是交交桥式斩波双向调压电路图之二,附图3是交交桥式斩波双向调压电路图之三,附图4是交交桥式斩波双向调压电路图之四。附图5是交交桥式斩诐双向调压电路图之五。附图6是交交桥式斩波双向调压电路图之六。附图7是交交桥式斩诐双向调压电路图之七。附图8是附图1到7所示的交交桥式斩波双向调压电路总图。
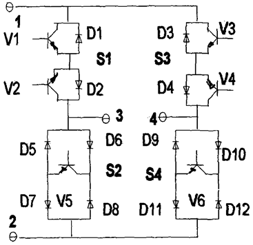
[0006][五]具体实施方式 附图1可知:由D1、D2和V1、V2组成双向电子开关S1、由D3、D4和V3、V4组成双向电子开关S2,由D5、D6和V5、V6组成双向电子开关S3,由D7、D8和V7、V8组成双向电子开关S4。图中有2个交流电压输入端(1、2)和2个交流斩波电压输出端(3、4),其工作原理如下:1)双向电子开关S1和S2组成1个由S1主控,S2续流的交流斩波调压电路,在双向电子开关S4交流正负半周全导通时,交交桥式斩诐双向调压电路在输出2端(3、4)输出与输入2端(1、2)相位相同的交流斩波可调电压。2)双向电子开关S2和S1组成另1个由S2主控,S1续流的交流斩波调压电路,在双向电子开关S4交流正负半周全导通时,交交桥式斩波双向调压电路在输出2端(3、4)输出与输入2端(1、2)相位相反的交流斩波可调电压。因此,附图1的交交桥式斩波双向调节电路能同时在输出2端(3、4)输出与交流输入2端(1、2)电压相同和相反的交流斩波可调电压。由上可知:同相输出交流斩波电压调节由3个双向电子开关S1、S2、S4完成,反相输出交流斩波电压调节由3个双向电子开关S2、S1、S3完成,换相是在双向电子开关S1和S2互换主控和续流完成180度倒相。
[0007]附图2可知:由D1~D4和V1组成双向电子开关S1,由D5~D8和V2组成双向电子开关S2,由D9~D12和V3组成双向电子开关S3,由 和V4组成双向电子开关S4,工作原理也与附图1类同。附图3可知:由D1、D2和V1、V2组成双向电子开关S1,由D5~D8和V5组成双向电子开关S2,由D3、D4和V3、V4组成双向电子开关S3,由D9~D12.和V6组成双向电子开关S4,工作原理也与附图1类同。附图4可知:由单向晶闸管V7、V8和V9、V10组成双向电子开关S3和S4替代附图1中的双向电子开关S3、S4,工作原理也与附图1类同。附图5可知:由单向晶闸管V7、V8和V9、V10组成双向电子开关S3和S4替代附图2中的双向电子开关S3、S4,工作原理也与附图1类同。附图6可知:由双向晶闸管V5和V6替代附图1中的双向电子开关S3、S4,工作原理也与附图1类同。附图7可知:由双向晶闸管V4和V5替代附图2中的双向电子开关S3、S4,工作原理也与附图1类同。附图8是附图1~7所示的交交桥式斩波双向调压电路总图,由4个双向电子开关S1~S4连接成桥式交流斩波调压电路,由S1、S2和S4组成交流斩波调压电路同相输出斩波电压,由S2、S1和S3组成交流斩波电路反相输出斩波电压,其特征是4个双向电子开关中至少有2个双向电子开关是由2个二极管和2个三极管组成,或由4个二极管和1个三极管组成的全控双向电子开关连接在交流斩波电压2个输出端(3、4)中的1个输出端(3或4)。
[0008]本发明的交交桥式斩波双向调压电路属于电力电子AC/AC变换基础电路,由4个双向电子开关组成交流斩波双向调压电路,调节控制双向电子开关实现控波电压大小的调节和相位差180度的选择,4个双向电子开关至少有2个双向电子开关是由二极管和三极管组成的双向斩波电子开关S1、S2连接在交流斩波电压的1个输出端(3或4),另2个双向电子开关S3、S4可以与S1、S2相同的双向电子开关,或2个单向晶闸管反向并联的双向电子开关,或双向晶闸管,或固体交流开关。它是AC/AC变换基础电路,与全桥逆变相对应,将输入固定交流电压转变为输出同相位或反相位可调交流斩波电压,此电压经高频LC滤波后就可获得市电同相和反相可调交流电压,在补偿式交流稳压电源等中具有广泛应用价值。

