详情
摘要
本发明公开了一种触摸屏加工贴合溢胶刮胶设备及刮胶方法,所述设备包括:密封操作间、操作台、第一竖直固定板、导轨、导杆、手柄、第一滑块、第二滑块、第三滑块、第四滑块、第一吸尘器、第二吸尘器、第一刮刀、第二刮刀、第一连接杆、第二连接杆、热风机;本设备能够对胶水进行良好的软化,进而保障刮胶效果;并且本设备在刮胶时第一连接杆和第二连接杆具有一定的刚度,能够保障刮胶的方向和应力稳定,能够保障刮胶的效果且不容易损伤玻璃表面;并且本设备在密闭的环境中刮胶,且能够将刮胶产生的胶尘吸走,避免对后续触摸屏的贴膜造成影响,提高了触摸屏的良品率。
权利要求书
1.一种触摸屏加工贴合溢胶刮胶设备,其特征在于,所述设备包括:密封操作间、操作台、第一竖直固定板、导轨、导杆、手柄、第一滑块、第二滑块、第三滑块、第四滑块、第一吸尘器、第二吸尘器、第一刮刀、第二刮刀、第一连接杆、第二连接杆、热风机;操作台位于密封操作间内,操作台上设有用于固定待刮胶触摸屏的操作区域;第一滑块、第二滑块、第三滑块和第四滑块均套设在导轨上,第一滑块、第二滑块、第三滑块和第四滑块均能够在导轨上滑动,第一竖直固定板上设有第一通孔,导杆一端依次穿过第一通孔、第一滑块、第二滑块和第三滑块后与第四滑块的侧面固定连接,导杆与第一滑块、第二滑块、第三滑块和第四滑块均固定连接,导杆另一端与手柄连接;导轨一端与第一竖直固定板固定连接,导轨另一端延伸至操作区域预设范围内;第一吸尘器、第二吸尘器和热风机均安装在密封操作间内,第一吸尘器的第一吸尘波纹管路的管身与第一滑块连接,第一吸尘波纹管路的吸尘口向操作区域延伸,第二吸尘器的第二吸尘波纹管路的管身与第三滑块连接,第二吸尘波纹管路的吸尘口向操作区域延伸,第一连接杆一端与第一刮刀的刀柄连接,第一连接杆的另一端与第二滑块的下表面固定连接,第二连接杆一端与第二刮刀的刀柄连接,第二连接杆的另一端与第二滑块的侧面固定连接,第一刮刀用于刮除待刮胶触摸屏的上片贴片侧面的胶水,第二刮刀用于刮除待刮胶触摸屏的下片贴片上表面的胶水;热风机的风管的管身与第四滑块连接,风管的管口向操作区域延伸。
2.根据权利要求1所述的触摸屏加工贴合溢胶刮胶设备,其特征在于,第一连接杆和第二连接杆的长度能够调整。
3.根据权利要求2所述的触摸屏加工贴合溢胶刮胶设备,其特征在于,第一连接杆和第二连接杆的结构相同,第一连接杆包括第二圆筒、第一圆杆和若干第一旋紧螺钉,第二圆筒一端与对应的刮刀的刀柄连接,第一圆杆一端从第二圆筒另一端插入第二圆筒内,第一圆杆另一端与第二滑块固定连接,第二圆筒沿圆周方向均匀设有若干第一旋紧螺孔,第一圆杆插入第二圆筒的长度能够调整,第一旋紧螺钉插入第一旋紧螺孔内对第二圆筒和第一圆杆的连接进行固定。
4.根据权利要求1所述的触摸屏加工贴合溢胶刮胶设备,其特征在于,所述设备还包括:第一固定竖杆、第一固定横杆、第一圆筒、第一固定钉和第一水平固定板;第一固定竖杆下端固定在操作台上的非操作区域,第一固定横杆一端与第一固定竖杆上端固定连接,第一固定横杆另一端与第一圆筒的筒身侧面固定连接,第一圆筒两端为开口状,第一固定钉下端穿过第一圆筒从第一圆筒下端延伸出后与第一水平固定板上表面固定连接,第一圆筒与第一固定钉螺纹连接。
5.根据权利要求4所述的触摸屏加工贴合溢胶刮胶设备,其特征在于,第一水平固定板下表面设有保护层,保护层采用海绵制成,导轨与导杆互相平行。
6.根据权利要求1所述的触摸屏加工贴合溢胶刮胶设备,其特征在于,第一刮刀和第二刮刀结构相同,包括:刀柄、刀座、若干划针、若干刮杆和若干刮勺;刀柄一端与第一连接杆的一端或第二连接杆的一端连接,刀柄另一端与刀座上表面固定连接,若干划针的一端均匀固定在刀座的前端,若干刮杆的一端均匀固定在刀座的后端,刮杆与刮勺一一对应,刮杆的另一端与刮勺的连接端连接,任意两个相邻的划针之间的间隙区域对应一个刮勺,刮勺的宽度与相邻的划针之间的间隙宽度相同,划针底部与刮勺位于同一平面内,导轨的延伸方向与沿刀座后端至前端的方向一致,刮勺用于刮胶,若干划针用于将整片相连胶水划分为互相断开的若干胶水子片。
7.根据权利要求1所述的触摸屏加工贴合溢胶刮胶设备,其特征在于,所述设备还包括第一支撑杆,第一支撑杆下端与操作台上表面固定连接,第一支撑杆上端与导轨下端面固定连接。
8.根据权利要求1-7中任意一个所述的触摸屏加工贴合溢胶刮胶设备,其特征在于,第一连接杆一端与第一刮刀的刀柄通过铰链进行连接,第二连接杆一端与第二刮刀的刀柄通过铰链进行连接,所述铰链包括:第一本体、第二本体、铰接轴套、铰接轴和若干第二旋紧螺钉;铰接轴与第一本体固定连接,铰接轴套套设在铰接轴上,铰接轴套能够绕铰接轴进行转动,铰接轴套与第二本体固定连接,铰接轴套上均匀分布有若干第二旋紧螺孔,第二旋紧螺钉插入第二旋紧螺孔内对铰接轴套和铰接轴的连接进行固定,第一本体与第一刮刀连接,第二本体与第一连接杆连接。
9.根据权利要求1所述的触摸屏加工贴合溢胶刮胶设备,其特征在于,所述设备还包括电源和开关,第一吸尘器、第二吸尘器和热风机分别通过开关与电源连接;操作台内设有空腔,操作台上表面设有收集孔,收集孔与空腔连通。
10.一种触摸屏加工贴合溢胶刮胶方法,其特征在于,所述方法包括:步骤1:将贴片后的触摸屏安装固定在密封操作间的操作台上,操作台上设有用于固定待刮胶触摸屏的操作区域;步骤2:将触摸屏上待刮胶区域的胶水进行加热软化;步骤3:加热软化预设时间段后,将第一刮刀与待刮胶触摸屏的上片贴片侧面的胶水对准,将第二刮刀与待刮胶触摸屏的下片贴片上表面的胶水对准;步骤4:使用第一刮刀和第二刮刀分别刮除待刮胶触摸屏的上片贴片侧面的胶水和待刮胶触摸屏的下片贴片上表面的胶水;在使用第一刮刀和第二刮刀刮除胶水的过程中使用吸尘器将刮胶产生的胶尘吸除。
说明书
一种触摸屏加工贴合溢胶刮胶设备及刮胶方法
技术领域
[0001]本发明涉及触摸屏加工制造领域,具体地,涉及一种触摸屏加工贴合溢胶刮胶设备及刮胶方法。
背景技术
[0002]触摸屏是现代电子产品中的重要组成部分,现有的触摸屏生产加工工艺大致为镀膜-蚀刻-丝印-组装;在组装过程中需要将上片玻璃或贴片与下片玻璃进行贴合,具体的贴合方式为:使用点胶合贴合机将胶水点在下片玻璃上表面,然后将上片玻璃下表面贴合在下片玻璃上表面,然后进行挤压使得胶水充分流平,流平后进行UV固化,由于要保障两片玻璃之间的胶水充分均匀的覆盖在两片玻璃之间,因此,点胶机在点胶时的点胶量通常要大于实际两片玻璃之间实际容纳的胶水量,因此在点胶挤压后,请参考图1,1为下片玻璃,2为上片玻璃,3和4为胶水溢出残留面,胶水会从两片玻璃之间溢出,即从上片玻璃下表面侧边与下片玻璃上表面侧边衔接处溢出,而这溢出的胶水会影响后续触摸屏的加工需要去除。
[0003]现有技术中的在除胶的方式有采用人工使用刀片将胶水刮除,但是胶水经过UV固化后较硬,在使用刀片刮除时需要使用较大的力气才能将胶水从玻璃上刮下来,刮下来需要沿玻璃表面进行水平方向的发力,当发力不慎,导致发力向下时就容易刮伤玻璃,需要很熟练的工人才能在这个岗位进行工作,因此,现有的人工刮胶存在效率较低且容易损伤玻璃的技术问题。
[0004]现有技术中有一种智能刮胶装置,如公开专利文献CN108672220A一种电子触摸屏生产用智能刮胶装置,该装置能够代替人工进行自动刮胶,但是该技术存在以下技术问题:
[0005]第一个技术问题是:现有技术CN108672220A中利用刮胶单元于对待刮胶触摸屏进行刮胶;其是利用电动小车通过波纹软管带动刀片进行刮胶,刮胶的作用力或应力来自波纹软管和电磁铁之间的磁力,即其刮胶的发力部件波纹软管的整体刚度由波纹软管本身的刚度和电磁铁之间的磁力共同决定,但是波纹软管本身为可弯曲变形的软管,刚度不满足固化后刮除较为硬的胶水的需求,而电磁铁之间的磁力并不稳定,受到电流大小、磁铁材料、两个电磁铁之间的距离共同影响,当电流大小波动或电磁铁抖动或波纹软管受力变形时均会导致电磁铁之间的磁力变化,进而导致波纹软管的整体刚度变化,进而无法满足清除固化后的胶水的目的。
[0006]第二个技术问题是:UV固化后胶水较硬,刮胶困难,现有技术CN108672220A的解决方式是在刀头内安装发热元件,对刀头进行加热,然后加热后的刀头可以对胶水进行加热,从而使得胶水软化,便于刮下,但是在实际的情况中,刮胶的刀头通常尺寸较小,在刀头内安装加热元件和布线加工难度较大,加工精度要求很高,不易实现,导致成本增加,且刀头容易损坏,损坏损伤的成本更高。
[0007]第三个技术问题是:现有技术CN108672220A中使用加热后的刀头对胶水进行软化然后刮胶,但是其在使用刀头刮胶时刀头与胶水接触时间短,胶水软化效果一般,使得刮胶的效果并不理想。
[0008]第四个技术问题是:使用现有技术CN108672220A中刮胶装置进行刮胶时,刮胶容易产生粉碎胶,刮胶容易产生固体胶尘或颗粒,胶尘会漂浮在空气中,悬浮在空中以及在生产车间内飘动,而触摸屏在刮胶后后续的工艺就是贴膜,悬浮在空中的胶尘会在贴膜时在玻璃表面造成白点或白斑,导致不合格触摸屏的产生。
[0009]第五个技术问题是:在点胶挤压后,胶水会从两片玻璃之间溢出,即从上片玻璃下表面侧边与下片玻璃上表面侧边衔接处溢出,而现有技术CN108672220A中刮胶装置进行刮胶时,只能够对单面进行刮胶,不能同时对这2个面进行刮胶,导致一面会残留胶水,刮胶效果不理想。
发明内容
[0010]为了解决背景技术中所述的技术问题,本发明提供了一种触摸屏加工贴合溢胶刮胶设备及刮胶方法,本设备能够对胶水进行良好的软化,进而保障刮胶效果;并且本设备在刮胶时第一连接杆和第二连接杆具有一定的刚度,能够保障刮胶的方向和应力稳定,能够保障刮胶的效果且不容易损伤玻璃表面;并且本设备在密闭的环境中刮胶,且能够将刮胶产生的胶尘吸走,避免对后续触摸屏的贴膜造成影响,提高了触摸屏的良品率。
[0011]为实现上述发明目的,本发明提供了一种触摸屏加工贴合溢胶刮胶设备,所述设备包括:
[0012]密封操作间、操作台、第一竖直固定板、导轨、导杆、手柄、第一滑块、第二滑块、第三滑块、第四滑块、第一吸尘器、第二吸尘器、第一刮刀、第二刮刀、第一连接杆、第二连接杆、热风机;
[0013]操作台位于密封操作间内,操作台上设有用于固定待刮胶触摸屏的操作区域;第一滑块、第二滑块、第三滑块和第四滑块均套设在导轨上,第一滑块、第二滑块、第三滑块和第四滑块均能够在导轨上滑动,第一竖直固定板上设有第一通孔,导杆一端依次穿过第一通孔、第一滑块、第二滑块和第三滑块后与第四滑块的侧面固定连接,导杆与第一滑块、第二滑块、第三滑块和第四滑块均固定连接,导杆另一端与手柄连接;导轨一端与第一竖直固定板固定连接,导轨另一端延伸至操作区域预设范围内;第一吸尘器、第二吸尘器和热风机均安装在密封操作间内,第一吸尘器的第一吸尘波纹管路的管身与第一滑块连接,第一吸尘波纹管路的吸尘口向操作区域延伸,第二吸尘器的第二吸尘波纹管路的管身与第三滑块连接,第二吸尘波纹管路的吸尘口向操作区域延伸,第一连接杆一端与第一刮刀的刀柄连接,第一连接杆的另一端与第二滑块的下表面固定连接,第二连接杆一端与第二刮刀的刀柄连接,第二连接杆的另一端与第二滑块的侧面固定连接,第一刮刀用于刮除待刮胶触摸屏的上片贴片侧面的胶水,第二刮刀用于刮除待刮胶触摸屏的下片贴片上表面的胶水;热风机的风管的管身与第四滑块连接,风管的管口向操作区域延伸。
[0014]其中,本发明的原理为:使用本发明中的设备在进行刮胶时,首先将触摸屏固定在操作台上上的操作区域中,然后用手或机器推动手柄,手柄带动导杆不断的在第一通孔中滑出,进而使得导杆带动第一至第四滑块在导轨上滑动,使得第四至第一滑块分别依次从待刮胶触摸屏的侧面经过,而第四至第四滑块的滑动分别带动热风机的风管的管口、第二吸尘器的吸尘波纹管路的吸尘口、两个刮刀、第一吸尘器的吸尘波纹管路的吸尘口分别依次经过两个触摸屏的待刮胶区域,这样先后经过就会出现以下效果,当热风机的风管的管口先经过时会首先将胶水软化,便于后续的刮刀进行刮胶,而刮胶容易在刀头前面和后面产生胶尘,而在刮刀前后分别设置第二吸尘器的吸尘波纹管路的吸尘口和第一吸尘器的吸尘波纹管路的吸尘口能够将刮刀前后两面的胶尘吸走,避免对后续的贴膜工艺造成不良影响。并且本设备是在密封操作间内进行,避免了胶尘飘散出去对其他岗位造成影响,对触摸屏的整体质量进行了保障,提高了触摸屏的良品率。
[0015]进一步的,现有技术CN108672220A中利用刮胶单元于对待刮胶触摸屏进行刮胶;其是利用电动小车通过波纹软管带动刀片进行刮胶,刮胶的作用力或应力来自波纹软管和电磁铁之间的磁力,即其刮胶的发力部件波纹软管的整体刚度由波纹软管本身的刚度和电磁铁之间的磁力共同决定,但是波纹软管本身为可弯曲变形的软管,刚度不满足固化后刮除较为硬的胶水的需求,而电磁铁之间的磁力并不稳定,受到电流大小、磁铁材料、两个电磁铁之间的距离共同影响,当电流大小波动或电磁铁抖动或波纹软管受力变形时均会导致电磁铁之间的磁力变化,进而导致波纹软管的整体刚度变化,进而无法满足清除固化后的胶水的目的。为了解决上述技术问题,本发明在刮胶时是利用具有一定刚度不易变形的第一连接杆、第二连接杆来带动刮刀进行刮胶,避免了采用现有技术中出现的问题,在刮胶时,导杆带动第二滑块移动,第二滑块带动第一连接杆和第二连接杆移动,第一连接杆和第二连接杆分别带动第一刮刀和第二刮刀移动,在刮胶时,连接杆与刮刀为具有一定刚度的连接,能够保障在刮胶时能够承受一定的刮胶力且刮胶的方向保持不变,本发明中刮胶的力的大小由推动手柄的推理决定,方便控制,而刮胶的刮胶方向受刮刀和连接杆共同决定,连接杆具有刚度,刮胶方向在刮胶时不容易发生改变,将会保持一定的刮胶角度和方向,即沿着玻璃表面进行刮胶,不容易想玻璃下方刮胶,不容易损伤玻璃。
[0016]进一步的,现有技术CN108672220A在刀头内安装发热元件,对刀头进行加热,刮胶的刀头通常尺寸较小,在刀头内安装加热元件和布线加工难度较大,加工精度要求很高,不易实现,导致成本增加,且刀头容易损坏,损坏损伤的成本更高。而本发明不对刀头进行加工,也不对刀头进行改进,而是使用热风机产生热风,热风通过分管传输至分管口,从分管口排出后对准待刮胶区域,对胶水进行加热,将胶水软化,然后进行刮胶,避免了对刀头进行复杂精密的加工,且热风机的工作温度、风量均能够调控,能够满足更复杂的使用需求,由于第四滑块位于导杆最前方,可以利用与第四滑块连接的风管的管口提前对待刮胶区域的胶水进行预热,避免了如背景技术中所述的直接与胶水接触刮胶,接触时间短,软化效果一般,导致的刮胶效果不理想,采用本发明中的设备在刮胶前首先开启热风机,对待刮胶区域的胶水预热一段时间后,然后推动手柄带动导杆移动,然后利用刮刀对已经预热一端时间后充分软化后的胶水进行刮胶,此时刮胶的效果就比较理想。
[0017]进一步的,现有技术CN108672220A中刮胶装置进行刮胶时,刮胶容易产生粉碎胶,刮胶容易产生固体胶尘或颗粒,胶尘会漂浮在空气中,悬浮在空中以及在生产车间内飘动,而触摸屏在刮胶后后续的工艺就是贴膜,悬浮在空中的胶尘会在贴膜时在玻璃表面造成白点或白斑,导致不合格触摸屏的产生。本设备首先在密封操作间内进行刮胶操作,避免了胶尘飘散到车间的其他工作区域对其他工作岗位造成影响,其次在刮刀的前后分别设置了第一吸尘波纹管路的吸尘口和第二吸尘波纹管路的吸尘口,在刮胶时将第一吸尘器和第二吸尘器同时打开,将刮胶产生的胶尘吸走,避免其漂浮在空中造成触摸屏的质量影响,提高触摸屏的良品率。
[0018]进一步的,在点胶挤压后,胶水会从两片玻璃之间溢出,即从上片玻璃下表面侧边与下片玻璃上表面侧边衔接处溢出,而现有技术CN108672220A中刮胶装置进行刮胶时,只能够对单面进行刮胶,不能同时对这2个面进行刮胶,导致一面会残留胶水,刮胶效果不理想。而本发明的设备中设有2个刮刀,第一刮刀用于刮除待刮胶触摸屏的上片贴片侧面的胶水,第二刮刀用于刮除待刮胶触摸屏的下片贴片上表面的胶水,即两个刮刀分别能够同时对两个面的胶水进行刮胶,保障刮胶效果,刮胶效果较为理想。
[0019]其中,为了使得刮刀的刀头能够与充分的与玻璃表面溢出的胶水接触,保障刮胶效果,本发明将第一连接杆和第二连接杆的长度设计为能够调整。使得在刮胶时刀头与胶水的接触深度能够调整,即能够将刀头调整为靠近玻璃表面,避免刀头与玻璃之间的间隙过大,导致刮胶效果较差。
[0020]其中,第一连接杆和第二连接杆的结构相同,第一连接杆包括第二圆筒、第一圆杆和若干第一旋紧螺钉,第二圆筒一端与对应的刮刀的刀柄连接,第一圆杆一端从第二圆筒另一端插入第二圆筒内,第一圆杆另一端与第二滑块固定连接,第二圆筒沿圆周方向均匀设有若干第一旋紧螺孔,第一圆杆插入第二圆筒的长度能够调整,第一旋紧螺钉插入第一旋紧螺孔内对第二圆筒和第一圆杆的连接进行固定。本发明中第一连接杆和第二连接杆的长度调整方式为第一连接杆的长度由第二圆筒和第一圆杆的整体长度决定,当第一圆杆插入第二圆筒的长度不同时,第一连接杆就体现出不同的长度,进而实现了第一连接杆的长度调整,进而实现了刀头与玻璃表面距离的精确调整,当调整到合适的距离手,使用第一旋紧螺钉插入第一旋紧螺孔内对第二圆筒和第一圆杆的连接进行固定,使得两者固定连接,保障第一连接杆的整体刚度,进而保障刮胶时方向和角度的稳定,以及刮胶应力方向稳定。
[0021]优选的,所述设备还包括:第一固定竖杆、第一固定横杆、第一圆筒、第一固定钉和第一水平固定板;第一固定竖杆下端固定在操作台上的非操作区域,第一固定横杆一端与第一固定竖杆上端固定连接,第一固定横杆另一端与第一圆筒的筒身侧面固定连接,第一圆筒两端为开口状,第一固定钉下端穿过第一圆筒从第一圆筒下端延伸出后与第一水平固定板上表面固定连接,第一圆筒与第一固定钉螺纹连接。
[0022]其中,为了对触摸屏进行固定,本发明设计了触摸屏固定结构,在固定时,将触摸屏放置在操作台面上的操作区域,然后转动第一固定螺钉,使得第一固定螺钉向下移动,第一固定螺钉带动第一水平固定板移动,最终使得第一固定板挤压触摸屏对触摸屏进行固定,若不对触摸屏进行固定,其在刮胶时会发生位移导致刮胶效果较差,第一圆筒与第一固定钉螺纹连接,第一圆筒为内螺纹,第一固定螺钉为外螺纹。
[0023]优选的,第一水平固定板下表面设有保护层,保护层采用海绵制成。设置保护层可以对触摸屏表面进行保护,避免压坏触摸屏表面的玻璃。
[0024]优选的,导轨与导杆互相平行。这样设计可以使得在推动导杆时,刮胶的方向能够恒定不变,保障刮胶效果的同时避免刮坏玻璃。因为若刮胶的过程中刮胶方向和角度发生变化容易刮伤玻璃表面。
[0025]优选的,所述设备还包括第一支撑杆,第一支撑杆下端与操作台上表面固定连接,第一支撑杆上端与导轨下端面固定连接。设计第一支撑杆的目的是对导轨进行支撑,使得其保持水平,进而使得滑块能够沿预设的方向和角度进行滑动,进而保障刮胶的方向和角度稳定。
[0026]优选的,本申请发明人在实施技术方案的具体过程中,发现了刮胶比较费劲的原因在于,胶水通常为一整片粘贴在玻璃上且胶水之间互相粘结在一起,若要刮下来就比较费劲,需要克服一整片吸附在玻璃表面的粘贴力以及胶水之间的互相粘贴力,而在刮胶时发力过大则容易刮伤玻璃,因此,上述技术方案在实施的过程中存在容易损伤玻璃的风险,为此本申请发明人对刮刀进行了改进,将第一刮刀和第二刮刀设计为结构相同,均包括:刀柄、刀座、若干划针、若干刮杆和若干刮勺;
[0027]刀柄一端与第一连接杆的一端或第二连接杆的一端连接,刀柄另一端与刀座上表面固定连接,若干划针的一端均匀固定在刀座的前端,若干刮杆的一端均匀固定在刀座的后端,刮杆与刮勺一一对应,刮杆的另一端与刮勺的连接端连接,任意两个相邻的划针之间的间隙区域对应一个刮勺,刮勺的宽度与相邻的划针之间的间隙宽度相同,划针底部与刮勺位于同一平面内,导轨的延伸方向与沿刀座后端至前端的方向一致,刮勺用于刮胶,若干划针用于将整片相连胶水划分为互相之间具有间隙的若干胶水子片。
[0028]在刮胶的过程中,导杆带动第二滑块移动,第二滑块带动第一连接杆和第二连接杆移动,进而带动第一刮刀和第二刮刀进行刮胶,由于导轨的延伸方向与沿刀座后端至前端的方向一致,且划针位于刀座的前端,刮杆位于刀座的后端,因此在刮胶时划针首先与整片的胶水先接触,利用若干划针将整片的胶水划分为若干互相之间具有间隙的若干胶水子片,即将整片胶水划分为若干的胶水子片,胶水子片由于被划开,互相之间的粘结力小于划分之前,且在刮胶时也只需要克服小面积胶水子片与玻璃之间的粘接力,然后利用刮勺将对应的胶水子片刮除,两个相邻的划针之间的间隙区域对应一个刮勺,由于胶水子片面积小于整片胶水,且胶水子片互相之间具有间隔,互相之间的粘贴力减小,因此,利用较小的力就可以将胶水子片刮除,避免了传统的需要发力才能将大片胶水刮除容易损伤玻璃的风险,利用本发明中的第一刮刀和第二刮刀可以使用较小的力就可以完成胶水的刮除操作,不容易损伤玻璃。
[0029]优选的,为了进一步保障刮胶的效果,本发明将刮刀的刮胶角度设计为能够调整,这样能够根据具体的胶水覆盖情况调整到最佳的刮胶角度,使得刮胶的效果较好且能够省时省力,避免刮伤玻璃,其中,本发明的设计方式为:第一连接杆一端与第一刮刀的刀柄通过铰链进行连接,第二连接杆一端与第二刮刀的刀柄通过铰链进行连接,设计为铰链连接使得刮刀能够转动,方便调整方向和角度,所述铰链包括:第一本体、第二本体、铰接轴套、铰接轴和若干第二旋紧螺钉;第一本体与第一刮刀连接,第二本体与第一连接杆连接,铰接轴与第一本体固定连接,铰接轴套套设在铰接轴上,铰接轴套能够绕铰接轴进行转动,铰接轴套与第二本体固定连接,铰接轴套上均匀分布有若干第二旋紧螺孔,第二旋紧螺钉插入第二旋紧螺孔内对铰接轴套和铰接轴的连接进行固定,当调整好刮胶的角度和方向时,使用第二旋紧螺钉能够将刮刀的方向和角度进行固定,避免其在刮胶的过程中发生变化,导致刮胶失败或刮伤玻璃。
[0030]优选的,所述设备还包括电源和开关,第一吸尘器、第二吸尘器和热风机分别通过开关与电源连接。利用电源可以为用电设备提供电能,设置开关可以分别控制每个设备部件的开启和关闭。
[0031]优选的,操作台内设有空腔,操作台上表面设有收集孔,收集孔与空腔连通。设置空腔的目的是将刮胶的较大的胶水,即该胶水块无法被吸走,则将其通过收集孔进行收集,保障操作台面整洁。
[0032]第一吸尘器与其第一吸尘波纹管路连通,第二吸尘器与其第二吸尘波纹管路连通。
[0033]另一方面,本发明还提供了一种触摸屏加工贴合溢胶刮胶方法,其特征在于,所述方法包括:
[0034]步骤1:将贴片后的触摸屏安装固定在密封操作间的操作台上,操作台上设有用于固定待刮胶触摸屏的操作区域;
[0035]步骤2:将触摸屏上待刮胶区域的胶水进行加热软化;
[0036]步骤3:加热软化预设时间段后,将第一刮刀与待刮胶触摸屏的上片贴片侧面的胶水对准,将第二刮刀与待刮胶触摸屏的下片贴片上表面的胶水对准;
[0037]步骤4:使用第一刮刀和第二刮刀分别刮除待刮胶触摸屏的上片贴片侧面的胶水和待刮胶触摸屏的下片贴片上表面的胶水;在使用第一刮刀和第二刮刀刮除胶水的过程中使用吸尘器将刮胶产生的胶尘吸除。
[0038]其中,本方法的原理为:首先将贴片后的触摸屏安装固定在密封操作间的操作台上,利用密封的环境进行刮胶,避免了胶尘飘散出去对其他岗位造成影响,对触摸屏的整体质量进行了保障,提高了触摸屏的良品率。
[0039]现有技术CN108672220A在刀头内安装发热元件,对刀头进行加热,刮胶的刀头通常尺寸较小,在刀头内安装加热元件和布线加工难度较大,加工精度要求很高,不易实现,导致成本增加,且刀头容易损坏,损坏损伤的成本更高。而本发明不对刀头进行加工,也不对刀头进行改进,而是使用热风机产生热风,对胶水进行加热,将胶水软化,然后进行刮胶,避免了对刀头进行复杂精密的加工,且热风机的工作温度、风量均能够调控,能够满足更复杂的使用需求,本方法提前对待刮胶区域的胶水进行预热,避免了如背景技术中所述的直接与胶水接触刮胶,接触时间短,软化效果一般,导致的刮胶效果不理想,采用本发明中的方法在刮胶前首先开启热风机,对待刮胶区域的胶水预热一段时间后,然后利用刮刀对已经预热一端时间后充分软化后的胶水进行刮胶,此时刮胶的效果就比较理想。
[0040]进一步的,现有技术CN108672220A中刮胶装置进行刮胶时,刮胶容易产生粉碎胶,刮胶容易产生固体胶尘或颗粒,胶尘会漂浮在空气中,悬浮在空中以及在生产车间内飘动,而触摸屏在刮胶后后续的工艺就是贴膜,悬浮在空中的胶尘会在贴膜时在玻璃表面造成白点或白斑,导致不合格触摸屏的产生。本方法首先在密封操作间内进行刮胶操作,避免了胶尘飘散到车间的其他工作区域对其他工作岗位造成影响,其次在刮胶时吸尘器打开,将刮胶产生的胶尘吸走,避免其漂浮在空中造成触摸屏的质量影响,提高触摸屏的良品率。
[0041]进一步的,在点胶挤压后,胶水会从两片玻璃之间溢出,即从上片玻璃下表面侧边与下片玻璃上表面侧边衔接处溢出,而现有技术CN108672220A中刮胶装置进行刮胶时,只能够对单面进行刮胶,不能同时对这2个面进行刮胶,导致一面会残留胶水,刮胶效果不理想。而本发明的方法中设有2个刮刀,第一刮刀用于刮除待刮胶触摸屏的上片贴片侧面的胶水,第二刮刀用于刮除待刮胶触摸屏的下片贴片上表面的胶水,即两个刮刀分别能够同时对两个面的胶水进行刮胶,保障刮胶效果,刮胶效果较为理想。
[0042]优选的,本方法中加热软化的方式为使用热风机向触摸屏上待刮胶区域的胶水进行吹热风加热。
[0043]优选的,待刮胶触摸屏的上片贴片具有4个侧面,每个上片贴片的侧面对应一个待刮胶子区域,每个待刮胶子区域包括该区域内的待刮胶触摸屏的上片贴片侧面和该区域内的待刮胶触摸屏的下片贴片上表面,每执行步骤1-步骤4完成一个待刮胶子区域的刮胶操作,每完成一个待刮胶子区域的刮胶操作后转动触摸屏进行下一个待刮胶子区域的刮胶操作,直至完成所有待刮胶子区域的刮胶操作。本方法这样设计的目的是每次刮一个待刮胶子区域,每刮完一个待刮胶子区域然后转动触摸屏进行旋转,然后刮另外一个待刮胶子区域,这样方便快速将整个触摸屏上的胶水刮除。
[0044]优选的,本方法中的刮刀与胶水的对准方式为:调整刮刀与触摸屏的距离。其中,本方法采用以下方式实现刮刀与触摸屏之间的距离可调,其中,为了使得刮刀的刀头能够与充分的与玻璃表面溢出的胶水接触,保障刮胶效果,本发明将第一连接杆和第二连接杆的长度设计为能够调整。第一连接杆和第二连接杆分别用于连接固定第一刮刀和第二刮刀,使得在刮胶时刀头与胶水的接触深度能够调整,即能够将刀头调整为靠近玻璃表面,避免刀头与玻璃之间的间隙过大,导致刮胶效果较差。
[0045]其中,第一连接杆和第二连接杆的结构相同,第一连接杆包括第二圆筒、第一圆杆和若干第一旋紧螺钉,第二圆筒一端与对应的刮刀的刀柄连接,第一圆杆一端从第二圆筒另一端插入第二圆筒内,第一圆杆另一端与第二滑块固定连接,第二圆筒沿圆周方向均匀设有若干第一旋紧螺孔,第一圆杆插入第二圆筒的长度能够调整,第一旋紧螺钉插入第一旋紧螺孔内对第二圆筒和第一圆杆的连接进行固定。本发明中第一连接杆和第二连接杆的长度调整方式为第一连接杆的长度由第二圆筒和第一圆杆的整体长度决定,当第一圆杆插入第二圆筒的长度不同时,第一连接杆就体现出不同的长度,进而实现了第一连接杆的长度调整,进而实现了刀头与玻璃表面距离的精确调整,当调整到合适的距离手,使用第一旋紧螺钉插入第一旋紧螺孔内对第二圆筒和第一圆杆的连接进行固定,使得两者固定连接,保障第一连接杆的整体刚度,进而保障刮胶时方向和角度的稳定,以及刮胶应力方向稳定。
[0046]优选的,本方法中的刮刀与胶水的对准方式还包括:调整刮刀与触摸屏的角度。其中,本方法采用以下方式实现刮刀与触摸屏之间的角度可调:为了进一步保障刮胶的效果,本发明将刮刀的刮胶角度设计为能够调整,这样能够根据具体的胶水覆盖情况调整到最佳的刮胶角度,使得刮胶的效果较好且能够省时省力,避免刮伤玻璃,其中,本发明的设计方式为:第一连接杆一端与第一刮刀的刀柄通过铰链进行连接,第二连接杆一端与第二刮刀的刀柄通过铰链进行连接,设计为铰链连接使得刮刀能够转动,方便调整方向和角度,所述铰链包括:第一本体、第二本体、铰接轴套、铰接轴和若干第二旋紧螺钉;第一本体与第一刮刀连接,第二本体与第一连接杆连接,铰接轴与第一本体固定连接,铰接轴套套设在铰接轴上,铰接轴套能够绕铰接轴进行转动,铰接轴套与第二本体固定连接,铰接轴套上均匀分布有若干第二旋紧螺孔,第二旋紧螺钉插入第二旋紧螺孔内对铰接轴套和铰接轴的连接进行固定,当调整好刮胶的角度和方向时,使用第二旋紧螺钉能够将刮刀的方向和角度进行固定,避免其在刮胶的过程中发生变化,导致刮胶失败或刮伤玻璃。
[0047]优选的,本方法中刮刀在刮胶的过程中刮刀的行进方向和刮刀刀口与触摸屏之间的角度保持恒定。这样设计的目的是保障刮胶过程中避免刮伤玻璃表面。
[0048]优选的,所述方法还包括步骤5,步骤5为对刮胶后的触摸屏进行清洁,对清洁后的触摸屏残留胶水厚度进行检测,当检测到的残留胶水厚度大于阈值,则继续进行刮胶;当检测到的残留胶水厚度小于阈值,则将该触摸屏放置合格品区域。在刮胶后由于为了避免刮伤玻璃,刮刀的刀刃会与玻璃表面预留一定的间隙,这样会导致玻璃表面可能残留一层胶水,若胶水残留的厚度较大将会影响后面的工序,因此,本方法设计了步骤5即对刮胶后的触摸屏进行清洁,首先将残留的胶水或刮胶留下的残留胶进行清除,然后检测残留胶水的厚度,当检测到的残留胶水厚度大于阈值,则继续进行刮胶;当检测到的残留胶水厚度小于阈值,则将该触摸屏放置合格品区域。通过步骤5能够保障后续的工序使用的触摸屏残留胶水符合要求。
[0049]优选的,所述方法中的步骤1-步骤4在进行的过程中均进行除静电操作,除静电操作包括:在密封操作间安装离子风机,离子风机用于向操作区域吹风除静电,本方法中的操作员均需要佩戴防静电手套和手环。其中,触摸屏上设有大量电子元器件,如IC等,需要对触摸屏进行防静电处理,避免电子元器件损坏,通过本方法的措施,吹离子风以及操作员佩戴防静电手套和手环能够良好的清除静电,对触摸屏进行保护。
[0050]优选的,所述步骤4还包括每完成一次刮胶操作,对第一刮刀和第二刮刀表面附着的胶水进行清除。刮刀再进行刮胶后,胶水可能会残留在刮刀上会影响下一次的刮胶操作,对第一刮刀和第二刮刀表面附着的胶水进行清除能够保障下次刮胶的顺利进行。
[0051]其中,本发明中的触摸屏加工贴合溢胶刮胶方法可以采用触摸屏加工贴合溢胶刮胶设备进行刮胶,所述设备包括:
[0052]密封操作间、操作台、第一竖直固定板、导轨、导杆、手柄、第一滑块、第二滑块、第三滑块、第四滑块、第一吸尘器、第二吸尘器、第一刮刀、第二刮刀、第一连接杆、第二连接杆、热风机;
[0053]操作台位于密封操作间内,操作台上设有用于固定待刮胶触摸屏的操作区域;第一滑块、第二滑块、第三滑块和第四滑块均套设在导轨上,第一滑块、第二滑块、第三滑块和第四滑块均能够在导轨上滑动,第一竖直固定板上设有第一通孔,导杆一端依次穿过第一通孔、第一滑块、第二滑块和第三滑块后与第四滑块的侧面固定连接,导杆与第一滑块、第二滑块、第三滑块和第四滑块均固定连接,导杆另一端与手柄连接;导轨一端与第一竖直固定板固定连接,导轨另一端延伸至操作区域预设范围内;第一吸尘器、第二吸尘器和热风机均安装在密封操作间内,第一吸尘器的第一吸尘波纹管路的管身与第一滑块连接,第一吸尘波纹管路的吸尘口向操作区域延伸,第二吸尘器的第二吸尘波纹管路的管身与第三滑块连接,第二吸尘波纹管路的吸尘口向操作区域延伸,第一连接杆一端与第一刮刀的刀柄连接,第一连接杆的另一端与第二滑块的下表面固定连接,第二连接杆一端与第二刮刀的刀柄连接,第二连接杆的另一端与第二滑块的侧面固定连接,第一刮刀用于刮除待刮胶触摸屏的上片贴片侧面的胶水,第二刮刀用于刮除待刮胶触摸屏的下片贴片上表面的胶水;热风机的风管的管身与第四滑块连接,风管的管口向操作区域延伸。
[0054]其中,本申请发明人还发现现有技术CN108672220A中利用刮胶单元于对待刮胶触摸屏进行刮胶;其是利用电动小车通过波纹软管带动刀片进行刮胶,刮胶的作用力或应力来自波纹软管和电磁铁之间的磁力,即其刮胶的发力部件波纹软管的整体刚度由波纹软管本身的刚度和电磁铁之间的磁力共同决定,但是波纹软管本身为可弯曲变形的软管,刚度不满足固化后刮除较为硬的胶水的需求,而电磁铁之间的磁力并不稳定,受到电流大小、磁铁材料、两个电磁铁之间的距离共同影响,当电流大小波动或电磁铁抖动或波纹软管受力变形时均会导致电磁铁之间的磁力变化,进而导致波纹软管的整体刚度变化,进而无法满足清除固化后的胶水的目的。而本方法利用上述设备在刮胶时第一连接杆和第二连接杆具有一定的刚度,能够保障刮胶的方向和应力稳定,能够保障刮胶的效果且不容易损伤玻璃表面。
[0055]本方法采用上述设备进行刮胶的好处是:使用本发明中的设备在进行刮胶时,首先将触摸屏固定在操作台上上的操作区域中,然后用手或机器推动手柄,手柄带动导杆不断的在第一通孔中滑出,进而使得导杆带动第一至第四滑块在导轨上滑动,使得第四至第一滑块分别依次从待刮胶触摸屏的侧面经过,而第四至第四滑块的滑动分别带动热风机的风管的管口、第二吸尘器的吸尘波纹管路的吸尘口、两个刮刀、第一吸尘器的吸尘波纹管路的吸尘口分别依次经过两个触摸屏的待刮胶区域,这样先后经过就会出现以下效果,当热风机的风管的管口先经过时会首先将胶水软化,便于后续的刮刀进行刮胶,而刮胶容易在刀头前面和后面产生胶尘,而在刮刀前后分别设置第二吸尘器的吸尘波纹管路的吸尘口和第一吸尘器的吸尘波纹管路的吸尘口能够将刮刀前后两面的胶尘吸走,避免对后续的贴膜工艺造成不良影响。并且本设备是在密封操作间内进行,避免了胶尘飘散出去对其他岗位造成影响,对触摸屏的整体质量进行了保障,提高了触摸屏的良品率。
[0056]进一步的,现有技术CN108672220A中利用刮胶单元于对待刮胶触摸屏进行刮胶;其是利用电动小车通过波纹软管带动刀片进行刮胶,刮胶的作用力或应力来自波纹软管和电磁铁之间的磁力,即其刮胶的发力部件波纹软管的整体刚度由波纹软管本身的刚度和电磁铁之间的磁力共同决定,但是波纹软管本身为可弯曲变形的软管,刚度不满足固化后刮除较为硬的胶水的需求,而电磁铁之间的磁力并不稳定,受到电流大小、磁铁材料、两个电磁铁之间的距离共同影响,当电流大小波动或电磁铁抖动或波纹软管受力变形时均会导致电磁铁之间的磁力变化,进而导致波纹软管的整体刚度变化,进而无法满足清除固化后的胶水的目的。为了解决上述技术问题,本发明在刮胶时是利用具有一定刚度不易变形的第一连接杆、第二连接杆来带动刮刀进行刮胶,避免了采用现有技术中出现的问题,在刮胶时,导杆带动第二滑块移动,第二滑块带动第一连接杆和第二连接杆移动,第一连接杆和第二连接杆分别带动第一刮刀和第二刮刀移动,在刮胶时,连接杆与刮刀为具有一定刚度的连接,能够保障在刮胶时能够承受一定的刮胶力且刮胶的方向保持不变,本发明中刮胶的力的大小由推动手柄的推理决定,方便控制,而刮胶的刮胶方向受刮刀和连接杆共同决定,连接杆具有刚度,刮胶方向在刮胶时不容易发生改变,将会保持一定的刮胶角度和方向,即沿着玻璃表面进行刮胶,不容易想玻璃下方刮胶,不容易损伤玻璃。
[0057]进一步的,现有技术CN108672220A在刀头内安装发热元件,对刀头进行加热,刮胶的刀头通常尺寸较小,在刀头内安装加热元件和布线加工难度较大,加工精度要求很高,不易实现,导致成本增加,且刀头容易损坏,损坏损伤的成本更高。而本发明不对刀头进行加工,也不对刀头进行改进,而是使用热风机产生热风,热风通过分管传输至分管口,从分管口排出后对准待刮胶区域,对胶水进行加热,将胶水软化,然后进行刮胶,避免了对刀头进行复杂精密的加工,且热风机的工作温度、风量均能够调控,能够满足更复杂的使用需求,由于第四滑块位于导杆最前方,可以利用与第四滑块连接的风管的管口提前对待刮胶区域的胶水进行预热,避免了如背景技术中所述的直接与胶水接触刮胶,接触时间短,软化效果一般,导致的刮胶效果不理想,采用本发明中的设备在刮胶前首先开启热风机,对待刮胶区域的胶水预热一段时间后,然后推动手柄带动导杆移动,然后利用刮刀对已经预热一端时间后充分软化后的胶水进行刮胶,此时刮胶的效果就比较理想。
[0058]进一步的,现有技术CN108672220A中刮胶装置进行刮胶时,刮胶容易产生粉碎胶,刮胶容易产生固体胶尘或颗粒,胶尘会漂浮在空气中,悬浮在空中以及在生产车间内飘动,而触摸屏在刮胶后后续的工艺就是贴膜,悬浮在空中的胶尘会在贴膜时在玻璃表面造成白点或白斑,导致不合格触摸屏的产生。本设备首先在密封操作间内进行刮胶操作,避免了胶尘飘散到车间的其他工作区域对其他工作岗位造成影响,其次在刮刀的前后分别设置了第一吸尘波纹管路的吸尘口和第二吸尘波纹管路的吸尘口,在刮胶时将第一吸尘器和第二吸尘器同时打开,将刮胶产生的胶尘吸走,避免其漂浮在空中造成触摸屏的质量影响,提高触摸屏的良品率。
[0059]进一步的,在点胶挤压后,胶水会从两片玻璃之间溢出,即从上片玻璃下表面侧边与下片玻璃上表面侧边衔接处溢出,而现有技术CN108672220A中刮胶装置进行刮胶时,只能够对单面进行刮胶,不能同时对这2个面进行刮胶,导致一面会残留胶水,刮胶效果不理想。而本发明的设备中设有2个刮刀,第一刮刀用于刮除待刮胶触摸屏的上片贴片侧面的胶水,第二刮刀用于刮除待刮胶触摸屏的下片贴片上表面的胶水,即两个刮刀分别能够同时对两个面的胶水进行刮胶,保障刮胶效果,刮胶效果较为理想。
[0060]本发明提供的一个或多个技术方案,至少具有如下技术效果或优点:
[0061]热风机的风管的管口先经过时会首先将胶水软化,便于后续的刮刀进行刮胶,设置第二吸尘器的吸尘波纹管路的吸尘口和第一吸尘器的吸尘波纹管路的吸尘口能够将刮刀前后两面的胶尘吸走,避免对后续的贴膜工艺造成不良影响。
[0062]并且本设备是在密封操作间内进行,避免了胶尘飘散出去对其他岗位造成影响,对触摸屏的整体质量进行了保障,提高了触摸屏的良品率。
[0063]本发明在刮胶时是利用具有一定刚度不易变形的第一连接杆、第二连接杆来带动刮刀进行刮胶,连接杆具有刚度,刮胶方向在刮胶时不容易发生改变,将会保持一定的刮胶角度和方向,即沿着玻璃表面进行刮胶,不容易想玻璃下方刮胶,不容易损伤玻璃。
[0064]本发明不对刀头进行加工,也不对刀头进行改进,而是使用热风机产生热风,避免了对刀头进行复杂精密的加工,利用与第四滑块连接的风管的管口提前对待刮胶区域的胶水进行预热,避免了直接与胶水接触刮胶,接触时间短,软化效果一般,导致的刮胶效果不理想,采用本发明中的设备在刮胶前首先开启热风机,对待刮胶区域的胶水预热一段时间后,然后推动手柄带动导杆移动,然后利用刮刀对已经预热一端时间后充分软化后的胶水进行刮胶,此时刮胶的效果就比较理想。
[0065]本设备首先在密封操作间内进行刮胶操作,避免了胶尘飘散到车间的其他工作区域对其他工作岗位造成影响,其次在刮刀的前后分别设置了第一吸尘波纹管路的吸尘口和第二吸尘波纹管路的吸尘口,在刮胶时将第一吸尘器和第二吸尘器同时打开,将刮胶产生的胶尘吸走,避免其漂浮在空中造成触摸屏的质量影响,提高触摸屏的良品率。
[0066]本发明的设备中设有2个刮刀,第一刮刀用于刮除待刮胶触摸屏的上片贴片侧面的胶水,第二刮刀用于刮除待刮胶触摸屏的下片贴片上表面的胶水,即两个刮刀分别能够同时对两个面的胶水进行刮胶,保障刮胶效果,刮胶效果较为理想。

附图说明
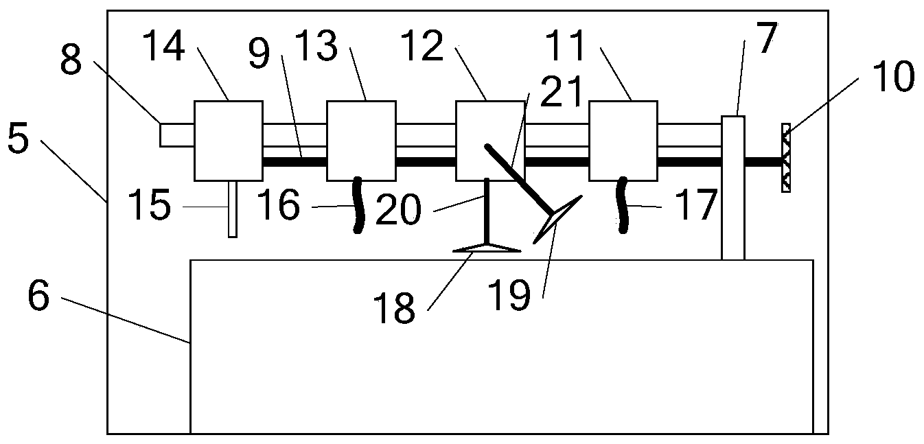
[0067]此处所说明的附图用来提供对本发明实施例的进一步理解,构成本申请的一部分,并不构成对本发明实施例的限定;
[0068]图1是上下玻璃贴合胶水溢出情形示意图;
[0069]图2是触摸屏加工贴合溢胶刮胶设备的结构示意图;
[0070]图3是第一刮刀和第二刮刀的刮胶示意图;
[0071]图4是热风机的连接示意图;
[0072]图5是第一吸尘器的连接示意图;
[0073]图6为第一连接杆的结构示意图;
[0074]图7为触摸屏的固定方式示意图;
[0075]图8是第一连接杆与第一刮刀通过铰链进行连接的示意图;
[0076]图9为第一刮刀的正视结构示意图;
[0077]图10为第一刮刀的侧视结构示意图;
[0078]图11为使用第一刮刀的后的胶水刮胶示意图;
[0079]图12是触摸屏加工贴合溢胶刮胶方法的流程示意图;
[0080]其中,1-下片玻璃,2-上片玻璃,3、4-胶水溢出残留面,5-密封操作间,6-操作台,7-第一竖直固定板,8-导轨,9-导杆,10-手柄,11-第一滑块,12-第二滑块,13-第三滑块,14-第四滑块,15-风管,16-第二吸尘波纹管路,17-第一吸尘波纹管路,18-第一刮刀,19-第二刮刀,20-第一连接杆,21-第二连接杆,22-热风机,23-第一吸尘器,24-第二圆筒,25-第一圆杆,26-第一旋紧螺钉,27-第一固定竖杆,28-第一固定横杆,29-第一圆筒,30-第一固定钉,31-第一水平固定板,32-第一本体,33-第二本体3,34-铰接轴套,35-铰接轴,36-第二旋紧螺钉,37-刀柄、38-刀座、39-划针、40-刮杆,41-刮勺。
具体实施方式
[0081]为了能够更清楚地理解本发明的上述目的、特征和优点,下面结合附图和具体实施方式对本发明进行进一步的详细描述。需要说明的是,在相互不冲突的情况下,本申请的实施例及实施例中的特征可以相互组合。
[0082]在下面的描述中阐述了很多具体细节以便于充分理解本发明,但是,本发明还可以采用其他不同于在此描述范围内的其他方式来实施,因此,本发明的保护范围并不受下面公开的具体实施例的限制。
[0083]实施例一
[0084]请参考图2-图5,本发明实施例一提供了一种触摸屏加工贴合溢胶刮胶设备,所述设备包括:
[0085]密封操作间5、操作台6、第一竖直固定板7、导轨8、导杆9、手柄10、第一滑块11、第二滑块12、第三滑块13、第四滑块14、第一吸尘器23、第二吸尘器、第一刮刀18、第二刮刀19、第一连接杆20、第二连接杆21、热风机22;
[0086]操作台位于密封操作间内,操作台上设有用于固定待刮胶触摸屏的操作区域;第一滑块、第二滑块、第三滑块和第四滑块均套设在导轨上,第一滑块、第二滑块、第三滑块和第四滑块均能够在导轨上滑动,第一竖直固定板上设有第一通孔,导杆一端依次穿过第一通孔、第一滑块、第二滑块和第三滑块后与第四滑块的侧面固定连接,导杆与第一滑块、第二滑块、第三滑块和第四滑块均固定连接,导杆另一端与手柄连接;导轨一端与第一竖直固定板固定连接,导轨另一端延伸至操作区域预设范围内;第一吸尘器、第二吸尘器和热风机均安装在密封操作间内,第一吸尘器的第一吸尘波纹管路17的管身与第一滑块连接,第一吸尘波纹管路的吸尘口向操作区域延伸,第二吸尘器的第二吸尘波纹管路16的管身与第三滑块连接,第二吸尘波纹管路的吸尘口向操作区域延伸,第一连接杆一端与第一刮刀的刀柄连接,第一连接杆的另一端与第二滑块的下表面固定连接,第二连接杆一端与第二刮刀的刀柄连接,第二连接杆的另一端与第二滑块的侧面固定连接,第一刮刀用于刮除待刮胶触摸屏的上片贴片侧面的胶水,第二刮刀用于刮除待刮胶触摸屏的下片贴片上表面的胶水;热风机的风管15的管身与第四滑块连接,风管的管口向操作区域延伸。
[0087]其中,在实施例一中,密封操作间可以为长方体操作间,设有可开闭的门,密封操作间可以为玻璃操作间,便于工作人员进行监管,操作台的台面为长方形状,表面可以设有橡胶垫,用于避免胶尘积累和防静电,对触摸屏进行保护。第一竖直固定板为竖板,竖直固定在台面上,导轨一端与其侧面固定连接,如焊接,导杆穿过第一竖直固定板上的第一通孔,导杆能够在第一通孔内滑动。其中为了便于移动时省力,导杆和第一竖直固定板均可采用金属制成,并且导杆外表面和第一通孔内表面均进行抛光处理减少摩擦。其中,本实施例中的刮胶动力来自导杆的推力,导杆的推动可以采用人工也可以采用其他自动化机器或机构进行,本发明对具体的实现方式不进行限定。
[0088]其中,本实施例中的第一吸尘器、第二吸尘器和热风机均为现有技术中的设备,第一吸尘器、第二吸尘器能够在开启后产生气流将产生的胶尘吸走,热风机能够产生热风对胶水软化,热风机由鼓风机、加热器、控制电路三大部分组成。它实现了工作温度、风量的调控。另外,热风机还对通风机进风口、电机设置了超温保护回路及对总电路设置了急刹挚开关,更进一步完善对设备的保护。
[0089]其中,本实施例中的导轨穿过滑块,滑块套设在导轨上,滑块能够在导轨上滑动,导轨的末端可以设置一个阻挡件,用于防止滑块从导轨上滑出导致脱轨。
[0090]实施例二
[0091]在实施例二中,本实施例中的设备,在实施例一的基础上,第一连接杆和第二连接杆的长度能够调整。请参考图6,图6为第一连接杆的结构示意图,第一连接杆和第二连接杆的结构相同,第一连接杆包括第二圆筒24、第一圆杆25和若干第一旋紧螺钉26,第二圆筒一端与对应的刮刀的刀柄连接,第一圆杆一端从第二圆筒另一端插入第二圆筒内,第一圆杆另一端与第二滑块固定连接,第二圆筒沿圆周方向均匀设有若干第一旋紧螺孔,第一圆杆插入第二圆筒的长度能够调整,第一旋紧螺钉插入第一旋紧螺孔内对第二圆筒和第一圆杆的连接进行固定。第二圆筒的内径与第一圆杆的外径尺寸匹配。第一旋紧螺孔的数量可以根据实际进行调整,通常为4个以上较佳。
[0092]实施例三
[0093]在实施例三中,本实施例中的设备,在实施例一的基础上,请参考图7,所述设备还包括:第一固定竖杆27、第一固定横杆28、第一圆筒29、第一固定钉30和第一水平固定板31;第一固定竖杆下端固定在操作台上的非操作区域,第一固定横杆一端与第一固定竖杆上端固定连接,第一固定横杆另一端与第一圆筒的筒身侧面固定连接,第一圆筒两端为开口状,第一固定钉下端穿过第一圆筒从第一圆筒下端延伸出后与第一水平固定板上表面固定连接,第一圆筒与第一固定钉螺纹连接。其中,第一固定竖杆27、第一固定横杆28、第一圆筒29、第一固定钉30均可采用不锈钢制成,第一圆筒为内螺纹,第一固定钉为外螺纹,两者螺纹配合。第一水平固定板下表面与上片玻璃上表面进行接触挤压,对触摸屏进行固定。
[0094]其中,第一水平固定板下表面设有保护层,保护层采用海绵制成,也可以采用软质橡胶制成,本发明实施例对具体的材质不进行限定。
[0095]其中,在本发明实施例三中,导轨与导杆互相平行。这样便于更好的保障刮胶的角度和方向恒定。
[0096]实施例四
[0097]在实施例四中,本实施例中的设备,在实施例一的基础上,所述设备还包括第一支撑杆,第一支撑杆下端与操作台上表面固定连接,第一支撑杆上端与导轨下端面固定连接。利用第一支撑杆可以对导轨进行支撑固定,保障导轨导向的稳定性和准确性。
[0098]实施例五
[0099]在实施例五中,本实施例中的设备,在实施例一的基础上,请参考图8,第一连接杆一端与第一刮刀的刀柄通过铰链进行连接,第二连接杆一端与第二刮刀的刀柄通过铰链进行连接,所述铰链包括:第一本体32、第二本体33、铰接轴套34、铰接轴35和若干第二旋紧螺钉36;铰接轴与第一本体的左半部分固定连接,铰接轴套套设在铰接轴的右半部分上,铰接轴套能够绕铰接轴进行转动,铰接轴套与第二本体固定连接,铰接轴套上均匀分布有若干第二旋紧螺孔,第二旋紧螺钉插入第二旋紧螺孔内对铰接轴套和铰接轴的连接进行固定。铰接轴套的内径与铰接轴的外径尺寸匹配,第一本体与第一刮刀连接,第二本体与第一连接杆连接。
[0100]实施例六
[0101]在实施例六中,本实施例中的设备,在实施例一的基础上,所述设备还包括电源和开关,第一吸尘器、第二吸尘器和热风机分别通过开关与电源连接。
[0102]实施例七
[0103]在实施例七中,本实施例中的设备,在实施例一的基础上,操作台内设有空腔,操作台上表面设有收集孔,收集孔与空腔连通。
[0104]实施例八
[0105]在实施例八中,本实施例中的设备,在实施例一的基础上,请参考图9-图11,图9为第一刮刀的正视结构示意图,图10为第一刮刀的侧视结构示意图,图11为使用第一刮刀的后的胶水刮胶示意图,其中,A区域为整片胶水,B区域为胶水子片,A区域经过若干划针划开后,划分为若干B区域,第一刮刀和第二刮刀结构相同,包括:刀柄37、刀座38、若干划针39、若干刮杆40和若干刮勺41;
[0106]刀柄一端与第一连接杆的一端或第二连接杆的一端连接,刀柄另一端与刀座上表面固定连接,若干划针的一端均匀固定在刀座的前端,若干刮杆的一端均匀固定在刀座的后端,刮杆与刮勺一一对应,刮杆的另一端与刮勺的连接端连接,任意两个相邻的划针之间的间隙区域对应一个刮勺,刮勺的宽度与相邻的划针之间的间隙宽度相同,划针底部与刮勺位于同一平面内,导轨的延伸方向与沿刀座后端至前端的方向一致,刮勺用于刮胶,若干划针用于将整片相连胶水划分为互相断开的若干胶水子片。利用刮勺子可以将划开后的胶水子片刮除下来,且刮勺能够便于对刮下的胶水进行收集,在具体使用的过程中划针与玻璃表面预留一段间隙,这样是避免划伤玻璃,划针和刮勺可以采用硬质橡胶,在刮胶和划胶的同时能够保护玻璃。第一刮刀和第二刮刀的材质和尺寸可以根据实际需要进行调整。
[0107]实施例九
[0108]请参考图12,本发明实施例九提供了一种触摸屏加工贴合溢胶刮胶方法,所述方法包括:
[0109]步骤1:将贴片后的触摸屏安装固定在密封操作间的操作台上,操作台上设有用于固定待刮胶触摸屏的操作区域;
[0110]步骤2:将触摸屏上待刮胶区域的胶水进行加热软化;
[0111]步骤3:加热软化预设时间段后,将第一刮刀与待刮胶触摸屏的上片贴片侧面的胶水对准,将第二刮刀与待刮胶触摸屏的下片贴片上表面的胶水对准;
[0112]步骤4:使用第一刮刀和第二刮刀分别刮除待刮胶触摸屏的上片贴片侧面的胶水和待刮胶触摸屏的下片贴片上表面的胶水;在使用第一刮刀和第二刮刀刮除胶水的过程中使用吸尘器将刮胶产生的胶尘吸除。
[0113]其中,在本发明实施例九中,所述方法还包括步骤5,步骤5为对刮胶后的触摸屏进行清洁,对清洁后的触摸屏残留胶水厚度进行检测,当检测到的残留胶水厚度大于阈值,则继续进行刮胶;当检测到的残留胶水厚度小于阈值,则将该触摸屏放置合格品区域。清洁可以采用毛刷进行清洁,毛刷需要采用防静电毛刷,测量厚度可以采集厚度测量仪或厚度测量机进行。
[0114]其中,在本发明实施例九中,所述方法中的步骤1-步骤4在进行的过程中均进行除静电操作,除静电操作包括:在密封操作间安装离子风机,离子风机用于向操作区域吹风除静电,本方法中的操作员均需要佩戴防静电手套和手环。其中,离子风机的个数可以根据密封操作间的空间大小进行调整,防静电手环一端需要套设在手环上,另一端需要接地。
[0115]其中,在本发明实施例九中,所述步骤4还包括每完成一次刮胶操作,对第一刮刀和第二刮刀表面附着的胶水进行清除。可以采用毛刷进行清除,毛刷可以采用硬质毛刷。
[0116]尽管已描述了本发明的优选实施例,但本领域内的技术人员一旦得知了基本创造性概念,则可对这些实施例作出另外的变更和修改。所以,所附权利要求意欲解释为包括优选实施例以及落入本发明范围的所有变更和修改。
[0117]显然,本领域的技术人员可以对本发明进行各种改动和变型而不脱离本发明的精神和范围。这样,倘若本发明的这些修改和变型属于本发明权利要求及其等同技术的范围之内,则本发明也意图包含这些改动和变型在内。

